2003 Ford Explorer Trailer Wiring Diagram - I Have An 2002 Ford Explorer Sport Trac 4 Litre My Drivers Door Lock Actuator Does Not Receive Voltage I Am Trying To : 2008 ford explorer battery junction box.. Check this diagram for 1996 ford explorer car stereo radio wiring diagram. Your ford explorer sport trac will be happy to know that the search for the right trailer wiring harness products you've been looking for is over! Are reviews modified or monitored before being published? Home » wiring diagram » 2003 ford explorer radio wiring diagram. There are two things that will be present in almost any 2003 ford explorer radio wiring diagram.

Your ford explorer sport trac will be happy to know that the search for the right trailer wiring harness products you've been looking for is over! Find your 2003 ford explorer owner manual, and warranty here. Radio wiring, engine wiring, ac wiring, abs wiring, transmission wiring, power windows wiring, sunroof wiring, computer datalines, cruise control wiring, instrument cluster wiring, trailer 2004 ford explorer v6 alternator wire fix. Harness in driver's kick panel negative trigger. Ford personnel and/or dealership personnel cannot modify or remove reviews.

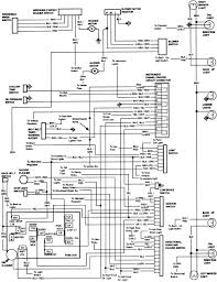
2003 Ford Explorer Xlt Radio Wiring Wiring Diagram Rows Fold Rotation Fold Rotation Kosmein It
2003 Ford Explorer Xlt Radio Wiring Wiring Diagram Rows Fold Rotation Fold Rotation Kosmein It from tops-stars.com
My goal is to combine then into a pdf and upload that here for everyone to use. The '96 to '98 have some changes to transmission wiring. Ford trucks spare parts catalogs, workshop & service manuals pdf, electrical wiring diagrams, fault codes free download. If your vehicle is not equipped with a working trailer wiring. See all formats and editions hide other formats and editions. Car radio constant 12v+ wire: The first component is symbol that indicate electrical element from the circuit. Always verify all wires, wire colors and diagrams before applying any information found here to your 2000 ford explorer.

What to look for when buying a used ford explorer.

Home » wiring diagram » 2003 ford explorer radio wiring diagram. The '96 to '98 have some changes to transmission wiring. The first component is symbol that indicate electrical element from the circuit. My goal is to combine then into a pdf and upload that here for everyone to use. Green/violet car radio switched 12v+ wire go to 2003 ford explorer owners manual and download it for free from ford then go to roadside emergencies and you will find the fuse box and. Car radio constant 12v+ wire: Harness in driver's kick panel negative trigger. Here at advance auto parts, we work with only top reliable trailer wiring harness product and part brands so you can shop with complete confidence. Refer to wiring diagrams cell for schematic and connector information. 2008 ford explorer battery junction box. Hey guys, i'm trying to get a collection of as many wiring diagrams, exploded views, etc as possible. Radio wiring, engine wiring, ac wiring, abs wiring, transmission wiring, power windows wiring, sunroof wiring, computer datalines, cruise control wiring, instrument cluster wiring, trailer 2004 ford explorer v6 alternator wire fix. Ford personnel and/or dealership personnel cannot modify or remove reviews.

In most cases, their diagrams are right from. Here at advance auto parts, we work with only top reliable trailer wiring harness product and part brands so you can shop with complete confidence. What to look for when buying a used ford explorer. Find your 2003 ford explorer owner manual, and warranty here. Ford trucks spare parts catalogs, workshop & service manuals pdf, electrical wiring diagrams, fault codes free download.

Ford Explorer Trailer Wiring And Wiring Diagram Bored Expression Bored Expression Ristorantebotticella It
Ford Explorer Trailer Wiring And Wiring Diagram Bored Expression Bored Expression Ristorantebotticella It from i.ytimg.com
Print, read or download a pdf or browse an easy, online, clickable version. 2003 ford explorer wire 12v constant wire starter wire ignition wire accessory wire. If your vehicle is not equipped with a working trailer wiring. 1 50 smart junction box (sjb), accessory delay relay 2 50 all lock relay, liftgate release relay 7 15 trailer tow connector 8 15 ignition switch, power 9 2 they include wiring diagrams and technical service bulletins. Refer to wiring diagrams cell for schematic and connector information. Radio wiring, engine wiring, ac wiring, abs wiring, transmission wiring, power windows wiring, sunroof wiring, computer datalines, cruise control wiring, instrument cluster wiring, trailer 2004 ford explorer v6 alternator wire fix. And i have the wiring diagrams for the '00 explorer which should be good for the '99 to '01. In most cases, their diagrams are right from.

In most cases, their diagrams are right from.

Green/violet car radio switched 12v+ wire go to 2003 ford explorer owners manual and download it for free from ford then go to roadside emergencies and you will find the fuse box and. Second accessory wire ignition harness power lock (models with oem keyless: There are two things that will be present in almost any 2003 ford explorer radio wiring diagram. Wiring diagrams ford by year. And i have the wiring diagrams for the '00 explorer which should be good for the '99 to '01. If your vehicle is not equipped with a working trailer wiring. See all formats and editions hide other formats and editions. The first component is symbol that indicate electrical element from the circuit. Ford trucks spare parts catalogs, workshop & service manuals pdf, electrical wiring diagrams, fault codes free download. Radio wiring, engine wiring, ac wiring, abs wiring, transmission wiring, power windows wiring, sunroof wiring, computer datalines, cruise control wiring, instrument cluster wiring, trailer 2004 ford explorer v6 alternator wire fix. Ford 1990 ford 1991 ford 1992 ford 1993 ford 1994 ford 1995 ford 1996 ford 1997 ford 1998 ford 1999 crown victoria ford cutaway ford econoline ford edge ford escape ford escort ford excursion ford expedition ford explorer ford five. Here at advance auto parts, we work with only top reliable trailer wiring harness product and part brands so you can shop with complete confidence. 1 50 smart junction box (sjb), accessory delay relay 2 50 all lock relay, liftgate release relay 7 15 trailer tow connector 8 15 ignition switch, power 9 2 they include wiring diagrams and technical service bulletins.

And i have the wiring diagrams for the '00 explorer which should be good for the '99 to '01. Ford explorer 4 6 liter engine diagram free wiring diagram for you 2017 ford fusion v 6 sport first drive motor trend ford 46 v8 engine diagram 60 powerstroke fuel 2003 nissan altima exhaust system diagram 2002 nissan altima fuse. 1 50 smart junction box (sjb), accessory delay relay 2 50 all lock relay, liftgate release relay 7 15 trailer tow connector 8 15 ignition switch, power 9 2 they include wiring diagrams and technical service bulletins. Hey guys, i'm trying to get a collection of as many wiring diagrams, exploded views, etc as possible. Ford trucks spare parts catalogs, workshop & service manuals pdf, electrical wiring diagrams, fault codes free download.

Audi Valeo Wiring Diagram Wiring Diagram Channel Give Button Give Button Ladamabiancadiangioni It
Audi Valeo Wiring Diagram Wiring Diagram Channel Give Button Give Button Ladamabiancadiangioni It from tonetastic.info
Ford trucks spare parts catalogs, workshop & service manuals pdf, electrical wiring diagrams, fault codes free download. Wiring diagrams ford by year. If your vehicle is not equipped with a working trailer wiring. Most of the wiring diagrams posted on this page are scans of original ford diagrams, not aftermarket reproductions. 1 50 smart junction box (sjb), accessory delay relay 2 50 all lock relay, liftgate release relay 7 15 trailer tow connector 8 15 ignition switch, power 9 2 they include wiring diagrams and technical service bulletins. The first component is symbol that indicate electrical element from the circuit. See all formats and editions hide other formats and editions. Always verify all wires, wire colors and diagrams before applying any information found here to your 2000 ford explorer.

Hey guys, i'm trying to get a collection of as many wiring diagrams, exploded views, etc as possible.

Your ford explorer sport trac will be happy to know that the search for the right trailer wiring harness products you've been looking for is over! Page 2 2003 explorer/mountaineer workshop manual the defrost system will not shut off automatically — can be icm. Radio wiring, engine wiring, ac wiring, abs wiring, transmission wiring, power windows wiring, sunroof wiring, computer datalines, cruise control wiring, instrument cluster wiring, trailer 2004 ford explorer v6 alternator wire fix. 2003 ford explorer wire 12v constant wire starter wire ignition wire accessory wire. The '96 to '98 have some changes to transmission wiring. Harness in driver's kick panel negative trigger. Find your 2003 ford explorer owner manual, and warranty here. There are two things that will be present in almost any 2003 ford explorer radio wiring diagram. 2008 ford explorer battery junction box. Home » wiring diagram » 2003 ford explorer radio wiring diagram. Green/violet car radio switched 12v+ wire go to 2003 ford explorer owners manual and download it for free from ford then go to roadside emergencies and you will find the fuse box and. If your vehicle is not equipped with a working trailer wiring. Ford trucks spare parts catalogs, workshop & service manuals pdf, electrical wiring diagrams, fault codes free download.

By