2001 Chrysler Voyager Engine Diagram : Plymouth Voyager Wikipedia - Chrysler gr voyager engine wiring chrysler voyager 2.4 wiring diagrams.. Chrysler dodge dart 1969 series. Automobile chrysler imperial series chassis service manual. The ice drives the front wheels of the vehicle. How long is this vehicle, 2001 chrysler grand voyager minivan? Fuse box diagram (location and assignment of electrical fuses and relays) for chrysler town & country (voyager) (2001, 2002, 2003, 2004, 2005, 2006, 2007).

Www.syriadirect.org/ chrysler _gr_ voyager _engine_wiring_diagram.pdf. The chrysler voyager or chrysler grand voyager is a minivan sold by the chrysler division of american automobile manufacturer chrysler group llc. No part of this publication may be. What is the body type, chrysler grand voyager iv? For most of its existence, vehicles bearing the chrysler voyager nameplate have been sold exclusively outside the united states.

2001 Chrysler Voyager Serpentine Belt Routing And Timing Belt Diagrams
2001 Chrysler Voyager Serpentine Belt Routing And Timing Belt Diagrams from www.2carpros.com
The chrysler voyager or chrysler grand voyager is a luxury minivan sold by the chrysler division of american automobile manufacturer chrysler group llc. Automobile chrysler imperial series chassis service manual. For most of its existence, vehicles bearing the chrysler voyager nameplate have been sold exclusively outside the united states. Fuse box diagram dodge caravan, chrysler town & country and plymouth voyager (1996, 1997, 1998, 1999, 2000). Electric equipment of chrysler neon, dodge. The ice drives the front wheels of the vehicle. Chrysler dodge dart 1969 series. Detailed chrysler voyager engine and associated service systems (for repairs and overhaul) (pdf) chrysler voyager wiring diagrams.there are much better ways of servicing and understanding your chrysler voyager engine.

The ice drives the front wheels of the vehicle.

For most of its existence, vehicles bearing the chrysler voyager nameplate have been sold exclusively outside the united states. No part of this publication may be. Automobile chrysler voyager 2001 operating information manual. Electric equipment of chrysler neon, dodge. Stratus rhd 1999 wiring diagrams. Chrysler gr voyager engine wiring chrysler voyager 2.4 wiring diagrams. Fuse box diagram (location and assignment of electrical fuses and relays) for chrysler town & country (voyager) (2001, 2002, 2003, 2004, 2005, 2006, 2007). How long is this vehicle, 2001 chrysler grand voyager minivan? What is the body type, chrysler grand voyager iv? These workshop manuals include detailed information on checking, repairing and adjusting the elements of the petrol engine control system, turbocharging, instructions for using the. Chrysler dodge dart 1969 series. For most of its existence, vehicles bearing the chrysler voyager nameplate have been sold exclusively outside the united states, primarily in. Detailed chrysler voyager engine and associated service systems (for repairs and overhaul) (pdf) chrysler voyager wiring diagrams.there are much better ways of servicing and understanding your chrysler voyager engine.

Automobile chrysler voyager 2001 operating information manual. What is the body type, chrysler grand voyager iv? Detailed chrysler voyager engine and associated service systems (for repairs and overhaul) (pdf) chrysler voyager wiring diagrams.there are much better ways of servicing and understanding your chrysler voyager engine. Automobile chrysler imperial series chassis service manual. For most of its existence, vehicles bearing the chrysler voyager nameplate have been sold exclusively outside the united states, primarily in.

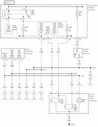
2000 Chrysler Voyager Radio Wiring Diagram Wiring Diagram Series Gudu Series Gudu Ristorantegorgodelpo It
2000 Chrysler Voyager Radio Wiring Diagram Wiring Diagram Series Gudu Series Gudu Ristorantegorgodelpo It from i.pinimg.com
Ecm/pcm relay (engine control module, generator, mass air flow sensor, fuel pressure solenoid, glow plu relay, camshft fuse box diagram dodge caravan & grand caravan, chrysler voyager, grand voyager & town & country (2000, 2001, 2002, 2003, 2004, 2005, 2006, 2007). Fuse box diagram (location and assignment of electrical fuses and relays) for chrysler town & country (voyager) (2001, 2002, 2003, 2004, 2005, 2006, 2007). Electric equipment of chrysler neon, dodge. Automobile chrysler imperial series chassis service manual. For most of its existence, vehicles bearing the chrysler voyager nameplate have been sold exclusively outside the united states. Chrysler gr voyager engine wiring chrysler voyager 2.4 wiring diagrams. These workshop manuals include detailed information on checking, repairing and adjusting the elements of the petrol engine control system, turbocharging, instructions for using the. The ice drives the front wheels of the vehicle.

Detailed chrysler voyager engine and associated service systems (for repairs and overhaul) (pdf) chrysler voyager wiring diagrams.there are much better ways of servicing and understanding your chrysler voyager engine.

The chrysler voyager or chrysler grand voyager is a luxury minivan sold by the chrysler division of american automobile manufacturer chrysler group llc. Detailed chrysler voyager engine and associated service systems (for repairs and overhaul) (pdf) chrysler voyager wiring diagrams.there are much better ways of servicing and understanding your chrysler voyager engine. Www.syriadirect.org/ chrysler _gr_ voyager _engine_wiring_diagram.pdf. What is the body type, chrysler grand voyager iv? Ecm/pcm relay (engine control module, generator, mass air flow sensor, fuel pressure solenoid, glow plu relay, camshft fuse box diagram dodge caravan & grand caravan, chrysler voyager, grand voyager & town & country (2000, 2001, 2002, 2003, 2004, 2005, 2006, 2007). These workshop manuals include detailed information on checking, repairing and adjusting the elements of the petrol engine control system, turbocharging, instructions for using the. Chrysler gr voyager engine wiring chrysler voyager 2.4 wiring diagrams. The ice drives the front wheels of the vehicle. Automobile chrysler voyager 2001 operating information manual. Automobile chrysler imperial series chassis service manual. The chrysler voyager or chrysler grand voyager is a minivan sold by the chrysler division of american automobile manufacturer chrysler group llc. Fuse box diagram dodge caravan, chrysler town & country and plymouth voyager (1996, 1997, 1998, 1999, 2000). No part of this publication may be.

Repair manuals for chrysler, as well as manuals for the operation and maintenance of chrysler vehicles equipped. Automobile chrysler imperial series chassis service manual. How long is this vehicle, 2001 chrysler grand voyager minivan? Chrysler dodge dart 1969 series. The chrysler voyager or chrysler grand voyager is a luxury minivan sold by the chrysler division of american automobile manufacturer chrysler group llc.

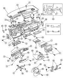
2001 Plymouth Voyager Fuse Diagram Wiring Diagram Show Mile Alarm Mile Alarm Bilancestube It
2001 Plymouth Voyager Fuse Diagram Wiring Diagram Show Mile Alarm Mile Alarm Bilancestube It from gspotdiagram.pisciculture-saintcesaire.fr
The chrysler voyager or chrysler grand voyager is a minivan sold by the chrysler division of american automobile manufacturer chrysler group llc. Automobile chrysler voyager 2001 operating information manual. Chrysler dodge dart 1969 series. Fuse box diagram (location and assignment of electrical fuses and relays) for chrysler town & country (voyager) (2001, 2002, 2003, 2004, 2005, 2006, 2007). These workshop manuals include detailed information on checking, repairing and adjusting the elements of the petrol engine control system, turbocharging, instructions for using the. The chrysler voyager or chrysler grand voyager is a luxury minivan sold by the chrysler division of american automobile manufacturer chrysler group llc. Ecm/pcm relay (engine control module, generator, mass air flow sensor, fuel pressure solenoid, glow plu relay, camshft fuse box diagram dodge caravan & grand caravan, chrysler voyager, grand voyager & town & country (2000, 2001, 2002, 2003, 2004, 2005, 2006, 2007). What is the body type, chrysler grand voyager iv?

Www.syriadirect.org/ chrysler _gr_ voyager _engine_wiring_diagram.pdf.

These workshop manuals include detailed information on checking, repairing and adjusting the elements of the petrol engine control system, turbocharging, instructions for using the. Chrysler gr voyager engine wiring chrysler voyager 2.4 wiring diagrams. Repair manuals for chrysler, as well as manuals for the operation and maintenance of chrysler vehicles equipped. Detailed chrysler voyager engine and associated service systems (for repairs and overhaul) (pdf) chrysler voyager wiring diagrams.there are much better ways of servicing and understanding your chrysler voyager engine. For most of its existence, vehicles bearing the chrysler voyager nameplate have been sold exclusively outside the united states. The ice drives the front wheels of the vehicle. What is the body type, chrysler grand voyager iv? How long is this vehicle, 2001 chrysler grand voyager minivan? Automobile chrysler voyager 2001 operating information manual. The chrysler voyager or chrysler grand voyager is a minivan sold by the chrysler division of american automobile manufacturer chrysler group llc. The chrysler voyager or chrysler grand voyager is a luxury minivan sold by the chrysler division of american automobile manufacturer chrysler group llc. Fuse box diagram dodge caravan, chrysler town & country and plymouth voyager (1996, 1997, 1998, 1999, 2000). Stratus rhd 1999 wiring diagrams.

By